Продажа подшипников оптом и
в розницу с доставкой по России
Каталог товаров
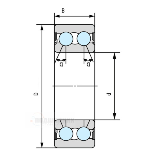
Подшипник UBC 3200 2RS относится к типу радиально-упорные двухрядные бренда UBC, основные характеристики подшипников данного типа: надежность, высокая работоспособность, эталонная стойкость к износу. Размеры подшипника 10x30x14,3. Применение наукоемких технологий UBC позволило довести каждую деталь до совершенства. Подшипник UBC 3200 2RS работает тихо, безопасно, точно, с минимальными энергопотерями. Гарантируем оригинальное происхождение товара, поставляем поштучно от 700.00 рублей и крупными партиями, цена от 580.00 рублей.
Нужна помощь в подборе?
Подобрать подшипник| Прочие | ||
| Тип подшипников | Радиально-упорные двухрядные | |
| Диаметр d (внутренний),мм | 10 | |
| Диаметр D (внешний), мм | 30 | |
| Ширина B, мм | 14,3 | |
| Производитель | UBC | |
| Материал колец | Хромированная сталь | |
| Материал подвижного элемента | Хромированная сталь | |
| Базовая единица | шт | |
| Артикул | 3200 | |
| Угол контакта | 32 градуса. | |
| Тип уплотнения | 2RS - Двухстороннее пластиковое уплотнение. | |
| Изменение внешнего кольца | Стандартное (без проточки). | |
| Материал сепаратора | Полиамидный сепаратор. | |
| Радиальный зазор | Стандартный тепловой зазор. | |
В корзину
Подробнее
|
© 2007 - 2019 «Подшипник Стандарт» - продажа подшипников зарубежного производства. Наш адрес: 142717, Московская обл., с.Беседы, Промышленный пр-д.,д.7Посмотреть на карте |

